Products
Easy Electric independently produces and also integrates more than 90% of the insulator manufacturers’ products from China
|
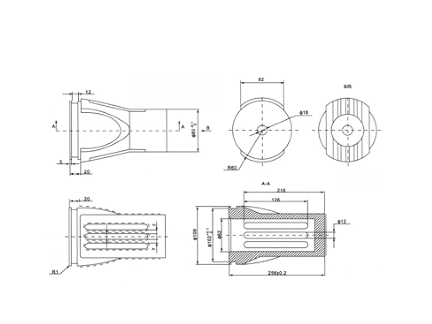
VS1-24/2000A (24kV) tentacles
Collect
|
