Products
Easy Electric independently produces and also integrates more than 90% of the insulator manufacturers’ products from China
|
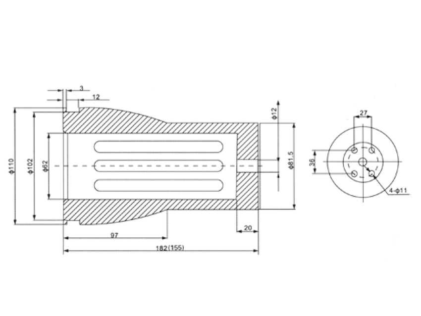
VS1-12/2500A-3150A tentacles
Collect
|
