Products
Easy Electric independently produces and also integrates more than 90% of the insulator manufacturers’ products from China
|
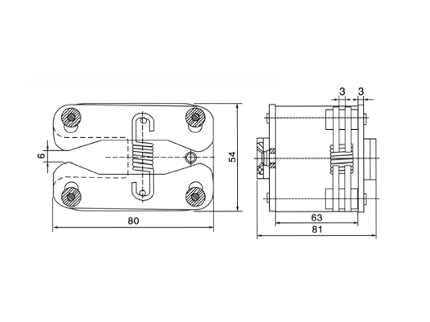
1000A spring-reed flat contacts
Collect
|
