Products
Easy Electric independently produces and also integrates more than 90% of the insulator manufacturers’ products from China
|
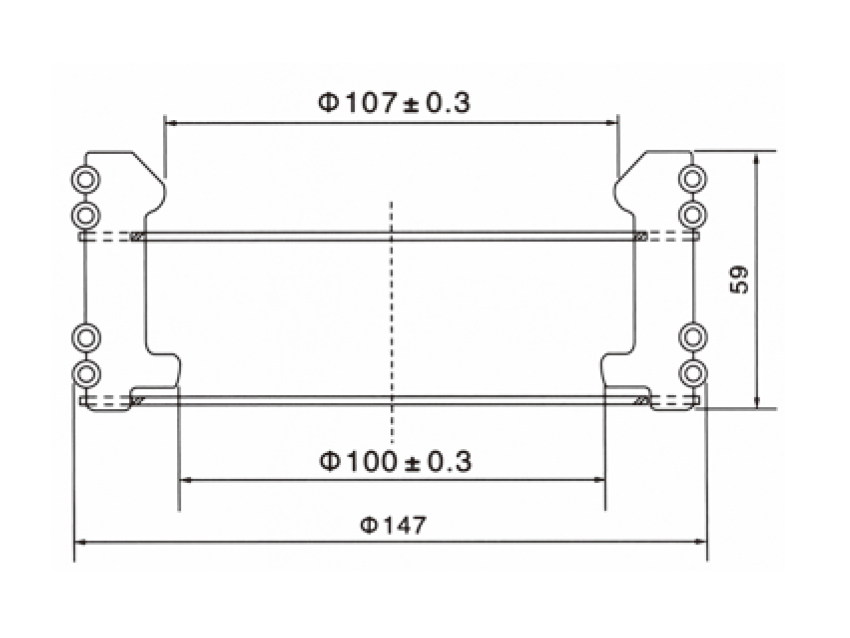
GC5-4000A bundled contacts
Collect
|
