Hangzhou Easy Electric Co., Ltd 

Products

Easy Electric independently produces and also integrates more than 90% of the insulator manufacturers’ products from China 


Home >> PRODUCTS >>GIS Insulator >> GIS Insulator
Product Detail

GIS Insulator

Product Name:
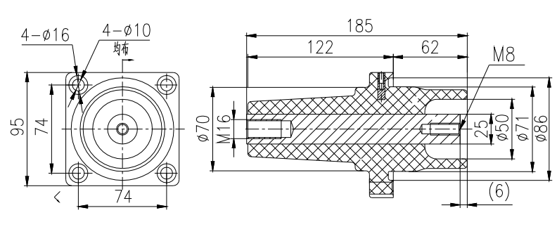
Wire-outgoing Insulator
Product Number:
EESF6-24/185
Rated Voltage
12kV ~ 24kV
Collect
  • 商品说明

image.png

The product you want to know about
More
Your name
Phone number
The product you want to know about

The product you want to know about

Easy Electric

Dannis Guo

0086-13958164147

PRODUCTS


NAVIGATION


Add:  No. 1410, Building 3, Xinyuanjinzuo, Nanyuan                      Street,Yuhang District, Hangzhou City, Zhejiang                  Province,China

Wechat:  dannisguo

E-mail:  info@cn-easyelectric.com

Tel:  0086-571-86109044

×
seo seo